cat gp25 forklift manual
CATERPILLAR GP20K GP25K Forklift Chassis Mast Parts Manual Book CAT we have 9 Images about CATERPILLAR GP20K GP25K Forklift Chassis Mast Parts Manual Book CAT like Caterpillar Cat GP25 FC Forklift Lift Trucks Service Repair Manual SN…, Caterpillar cat gp15 k mc forklift lift trucks service repair manual and also Caterpillar GP25 Forklift For Sale | Colton, CA | 8985963. Here it is:
CATERPILLAR GP20K GP25K Forklift Chassis Mast Parts Manual Book CAT

caterpillar forklift chassis manual parts catalog gp25 gp20 mast spare lift list cat
1998 Caterpillar GP25-LP Forklift - 5000 LB Capacity (950366)

caterpillar gp25 forklift lb lp capacity 1998 auction
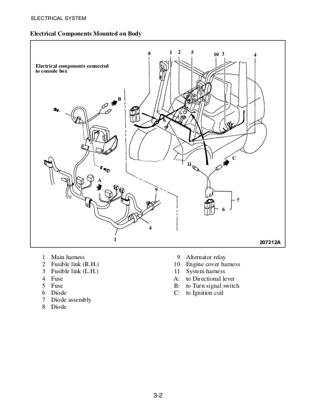
Caterpillar Cat GP25 FC Forklift Lift Trucks Service Repair Manual SN…

gp25 forklift
Caterpillar GP25 Forklift For Sale | Colton, CA | 8985963

forklift gp25 caterpillar
Cat Caterpillar Gp25 Pneumatic Tire Forklift Fork Lift Ohio Tow Motor

forklift gp25 cat lift caterpillar tire pneumatic tow fork ohio motor enlarge
Caterpillar Cat Gp15 K Mc Forklift Lift Trucks Service Repair Manual

trucks gp15
Caterpillar GP25 Forklift In Pittsburg, KS | Item GG9639 Sold | Purple Wave
caterpillar forklift gp25 sold auction
Caterpillar Lift Trucks 2008 Service Manual Download

caterpillar parts lift trucks cat manual 2009 spare 2008 catalog repair service epcatalogs
KOMATSU FD20 FD23 FD25 FD28 FD30-7 Forklift Spare Parts Manual Book

fd25 komatsu parts fd23 forklift fd30 fd28 fd20 1983 spare manual catalog
Komatsu fd20 fd23 fd25 fd28 fd30-7 forklift spare parts manual book. Caterpillar gp25 forklift in pittsburg, ks. Caterpillar cat gp25 fc forklift lift trucks service repair manual sn…