caterpillar forklift parts manual
SCANNER CATERPILLAR COM ADAPTER 3 - MECANICOS ACTUALES we have 9 Pics about SCANNER CATERPILLAR COM ADAPTER 3 - MECANICOS ACTUALES like caterpillar Lift Trucks 2011 Spare Parts Catalog Download, caterpillar Forklift LinkOne 2013 Spare Parts Catalog Download and also Caterpillar RC60 diesel forklift 6000LB cap. Here it is:
SCANNER CATERPILLAR COM ADAPTER 3 - MECANICOS ACTUALES

caterpillar 538 5051 replaces 2020a cheapobd2
Caterpillar GC15/18/20/25K GC20/25/30K HP Forklifts PDF

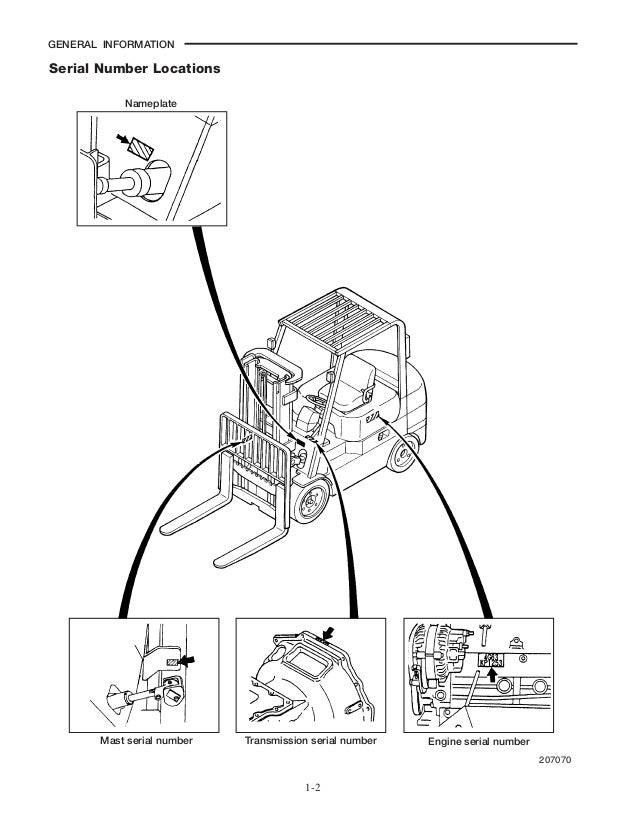
caterpillar pdf lift gc25k hp trucks manual service forklifts manuals gc20
K21 / K25 Oil Filter - Part Number 15208-01B01

01b01 k21 k25 unicarriers liftway
Caterpillar Forklift LinkOne 2013 Spare Parts Catalog Download

forklift parts caterpillar spare catalog linkone manual enlarge
Caterpillar Lift Trucks 2011 Spare Parts Catalog Download

caterpillar parts lift trucks spare catalog manual forklift catalogue repair service manuals truck workshop
Caterpillar RC60 Diesel Forklift 6000LB Cap

rc60 forklift caterpillar 6000lb diesel cap location
Caterpillar Cat Gc25 K Hp Forklift Lift Trucksservice Repair Manual S…

forklift gc25 gc30 gc15 gc25k
CAT GP40K/KL, GP45/50K, DP40K/KL, DP45/50K Lift Trucks PDF

caterpillar lift trucks manual pdf service
Caterpillar Cat DP35K FC Forklift Lift Trucks Service Repair Manual S…

repair
Caterpillar pdf lift gc25k hp trucks manual service forklifts manuals gc20. Caterpillar 538 5051 replaces 2020a cheapobd2. Cat gp40k/kl, gp45/50k, dp40k/kl, dp45/50k lift trucks pdf